FMC100技术参数   |
| 名义排量 | ml/r | 1500 | 1400 | 1300 | 1200 | 1100 | 1000 | 900 | 800 | 700 | 600 | 500 | 400 | 300 | 200 | 100 |
| 实际排量 | ml/r | 1481 | 1383 | 1284 | 1185 | 1086 | 987 | 889 | 790 | 691 | 592 | 494 | 395 | 296 | 197 | 0 |
| 单位扭矩 | Nm.MPa | 212 | 198 | 184 | 169 | 155 | 140 | 125 | 108 | 94 | 78 | 68 | 45 | 30 | 18 | 0 |
| 最大转速 | r/min | 260 | 280 | 300 | 330 | 370 | 405 | 485 | 540 | 540 | 540 | 540 | 540 | 540 | 540 | 900 |
| 最大功率 | KW | 98 | 95 | 93 | 92 | 90 | 86 | 83 | 73 | 64 | 53 | 46 | 31 | 20 | 9 | 0 |
| 工作压力 | MPa | 21 | 21 | 21 | 21 | 21 | 21 | 21 | 21 | 21 | 21 | 21 | 21 | 15 | 15 | 1.5 |
| 尖峰压力 | MPa | 25 | 25 | 25 | 25 | 25 | 25 | 25 | 25 | 25 | 25 | 25 | 25 | 21 | 21 | 1.5 |
| FMC100排量选择范围: |
| 大排量:1500,1400,1300,1200,1100,1000,900,800 |
| 小排量:1000,900,800,700,600,500,400,300,200,100 |
|
FMC125技术参数   |
| 名义排量 | ml/r | 2000 | 1950 | 1800 | 1600 | 1500 | 1300 | 1200 | 1000 | 830 | 670 | 510 | 350 | 190 | 110 |
| 实际排量 | ml/r | 2048 | 1966 | 1082 | 1649 | 1487 | 1325 | 1163 | 1001 | 839 | 677 | 515 | 353 | 191 | 109 |
| 单位扭矩 | Nm.MPa | 297 | 281 | 258 | 231 | 206 | 180 | 154 | 125 | 100 | 79 | 57 | 30 | 6 | 0 |
| 最大转速 | r/min | 190 | 195 | 210 | 210 | 230 | 265 | 300 | 350 | 395 | 485 | 540 | 540 | 540 | 900 |
| 最大功率 | KW | 104 | 101 | 94 | 88 | 81 | 75 | 68 | 62 | 55 | 48 | 37 | 19 | 4 | 0 |
| 工作压力 | MPa | 21 | 21 | 21 | 21 | 21 | 21 | 15 | 15 | 15 | 15 | 15 | 15 | 5 | 5 |
| 尖峰压力 | MPa | 25 | 25 | 25 | 25 | 25 | 25 | 21 | 21 | 21 | 21 | 21 | 21 | 15 | 5 |
| FMC125排量选择范围: |
| 大排量:2000,1950,1800,1600,1500 |
| 小排量:1300,1200,1000,830,670,510,350,190,110 |
|
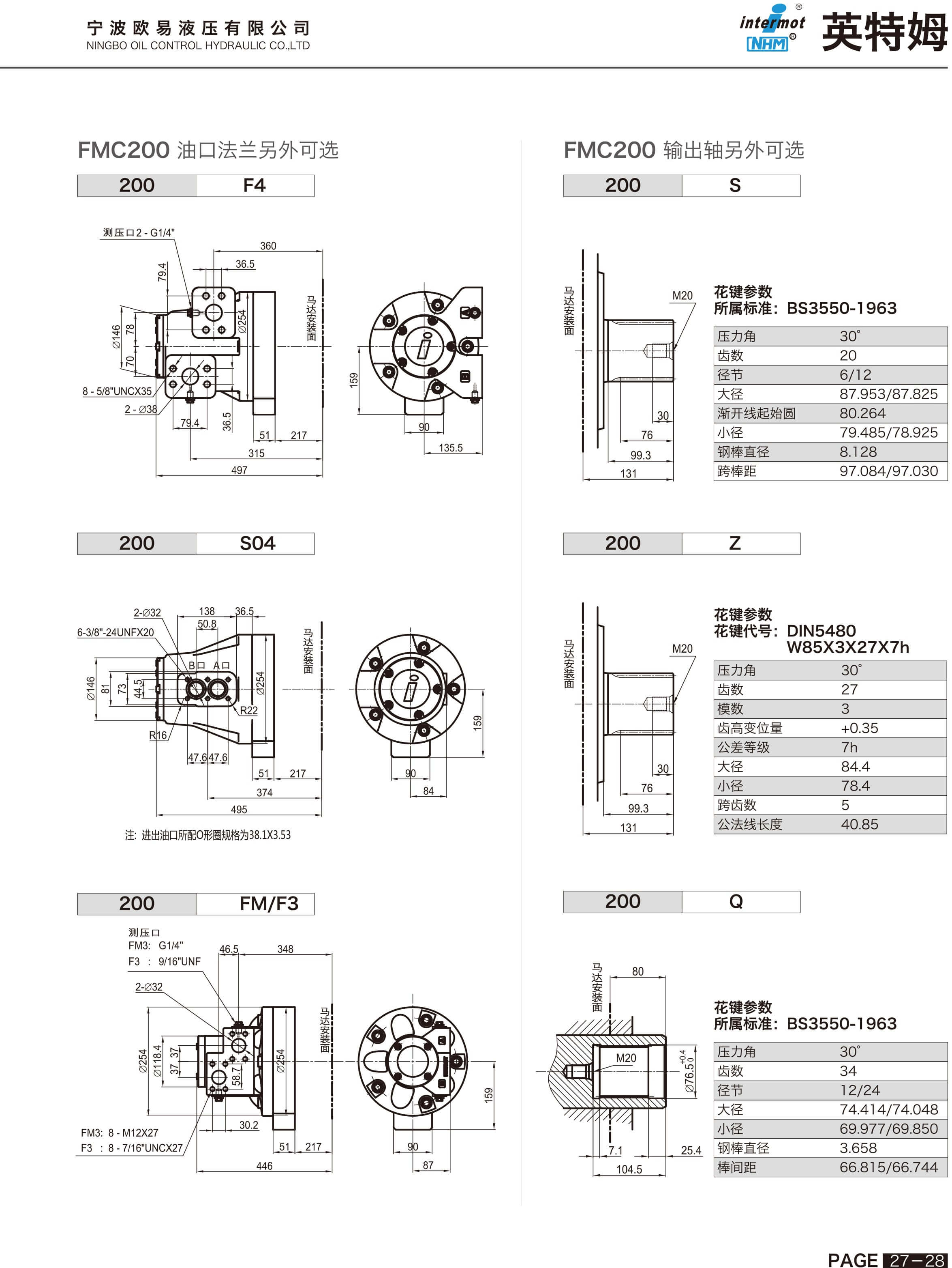
FMC200技术参数   |
| 名义排量 | ml/r | 3100 | 2900 | 2800 | 2600 | 2400 | 2300 | 2100 | 2000 | 1800 | 1600 | 1500 | 1300 | 1200 | 1000 | 830 | 670 | 510 | 350 | 190 | 110 |
| 实际排量 | ml/r | 3080 | 2958 | 2796 | 2634 | 2472 | 2310 | 2148 | 1973 | 1811 | 1649 | 1487 | 1325 | 1163 | 1001 | 839 | 677 | 515 | 353 | 191 | 109 |
| 单位扭矩 | Nm.MPa | 447 | 422 | 400 | 375 | 351 | 326 | 300 | 281 | 258 | 231 | 206 | 180 | 154 | 125 | 100 | 79 | 57 | 30 | 6 | 0 |
| 最大转速 | r/min | 160 | 165 | 175 | 190 | 196 | 210 | 200 | 245 | 265 | 290 | 320 | 320 | 320 | 320 | 320 | 320 | 320 | 320 | 320 | 900 |
| 最大功率 | KW | 115 | 115 | 115 | 112 | 108 | 108 | 104 | 101 | 100 | 98 | 97 | 90 | 83 | 67 | 54 | 42 | 31 | 16 | 3 | 0 |
| 工作压力 | MPa | 21 | 21 | 21 | 21 | 21 | 21 | 21 | 21 | 21 | 21 | 21 | 21 | 15 | 15 | 15 | 15 | 15 | 15 | 5 | 5 |
| 尖峰压力 | MPa | 25 | 25 | 25 | 25 | 25 | 25 | 25 | 25 | 25 | 25 | 25 | 25 | 21 | 21 | 21 | 21 | 21 | 21 | 15 | 5 |
| FMC200排量选择范围: |
| 大排量:3100,2900,2800,2600,2400,2300,2100,2000,1800,1600 |
| 小排量:2300,2100,2000,1800,1600,1500,1300,1200,1000,830,670,510,350,190,110 |
|
FMC270技术参数   |
| 名义排量 | ml/r | 4300 | 4100 | 3600 | 3300 | 3000 | 2600 | 2300 | 1900 | 1650 | 1400 | 970 | 680 | 340 | 170 |
| 实际排量 | ml/r | 4313 | 4086 | 3632 | 3291 | 2951 | 2610 | 2270 | 1930 | 1646 | 1362 | 965 | 6814 | 340 | 170 |
| 单位扭矩 | Nm.MPa | 631 | 585 | 514 | 460 | 419 | 356 | 310 | 259 | 210 | 168 | 108 | 73 | 24 | 0 |
| 最大转速 | r/min | 115 | 125 | 135 | 145 | 165 | 180 | 215 | 240 | 290 | 315 | 315 | 315 | 315 | 800 |
| 最大功率 | KW | 120 | 118 | 110 | 105 | 98 | 91 | 82 | 74 | 62 | 51 | 37 | 25 | 8 | 0 |
| 工作压力 | MPa | 21 | 21 | 21 | 21 | 21 | 21 | 21 | 21 | 15 | 15 | 15 | 15 | 15 | 5 |
| 尖峰压力 | MPa | 25 | 25 | 25 | 25 | 25 | 25 | 25 | 25 | 21 | 21 | 21 | 21 | 18 | 5 |
| FMC270排量选择范围: |
| 大排量:4300,4100,3600,3300 |
| 小排量:3300,3000,2600,2300,1900,1650,1400,970,680,340,170 |